Produktinformationen "Aktions-Solarabsorber-Set"
OKU® Schwimmbadsolarheizungen sind äußerst effizient, günstig in der Anschaffung und können in der Regel mit der vorhandenen Poolpumpe der Sandfilteranlage betrieben werden. Dies bedeutet, dass in solchen Fällen keine weiteren Stromkosten anfallen und mit den Solarkollektoren Ihr Pool umweltfreundlich beheizt wird.
Die Solarmatten absorbieren die Sonneneinstrahlung und geben den Wärmegewinn direkt an das Poolwasser ab. Es ist sinnvoll, die Poolheizung mit großer Durchflussmenge auf relativ niedrigem Temperaturniveau zu betreiben. Somit erzielen Sie mit Ihrer Solaranlage einen optimalen Wirkungsgrad.
OKU-Absorber zur solaren Poolheizung sind absolut frostsicher und somit auch für die Installation auf Flachdächern geeignet. Die Solarabsorber sind chemikalienbeständig, salzwasserbeständig und einfach zu montieren und zum Selbstbau geeignet. Zudem sind die Absorber aus HDPE zu 100% sicher gegen Tierverbiss.
Betrieb der Pool Solarheizung über die vorhandene Sandfilteranlage:

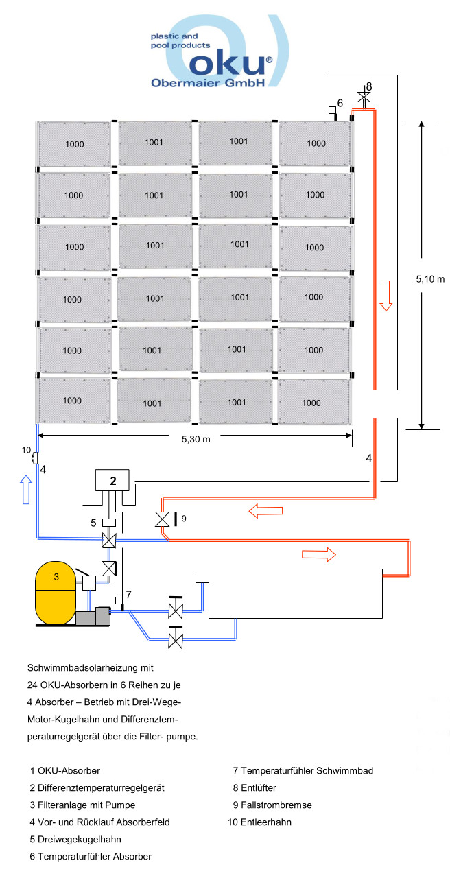
Diese Variante kann gewählt werden, wenn die Solarabsorber nicht höher als 6 m über den Wasserspiegel montiert werden. Nach der Sandfilteranlage wird ein Dreiwegekugelhahn in die Filterverrohrung eingeklebt. Dieser kann manuell oder automatisch gesteuert werden. Ein automatischer Dreiwegekugelhahn wird mit einem Differenztemperaturregler angesteuert. Die Solarsteuerung verfügt über einen Wasserfühler und einen Solarfühler. Wird eine Differenztemperatur von etwa 3°C oder höher durch ständiges Messen ermittelt. Schaltet der Dreiwegekugelhahn auf Heizbetrieb. Somit wird sichergestellt, dass die Solaranlage ausschließlich bei Wärmegewinn betrieben wird und Ihr Poolwasser erwärmt wird.
Wie viele Solarabsorber werden benötigt?
- Wir empfehlen bei Pools mit Poolabdeckung ca. 50 % der Beckenoberfläche als Absorber Oberfläche.
Beispielrechnung:
Rechteckpool: 6,00 m Länge x 3,00 m Breite x 1,50 m Tiefe
Berechnung der Beckenoberfläche:
6,00 x 3,00 m = 18 m²
Berechnung Anzahl der Absorber:
18 x 50 % = 9 Absorber
- Bei Pools ohne Abdeckung empfehlen wir ca. 75 % der Beckenoberfläche als Absorber Oberfläche.
Beispielrechnung:
Rechteckpool: 6,00 m Länge x 3,00 m Breite x 1,50 m Tiefe
Berechnung der Beckenoberfläche:
6,00 x 3,00 m = 18 m²
Berechnung Anzahl der Absorber:
18 x 75 % = 14 Absorber
Lieferumfang Komplettset inkl. Versand (Anordnung siehe Skizze, bzw. Montageanleitung):
- OKU Solarabsorber (12 x Absorber A, 12 x Absorber B)
- Verbindungsschläuche (12 x Verbindungsschlauch 38x5x60 mm, 24 x Edelstahlschlauchschelle 32-50 mm, 36 x Verbindungsschlauch 25x3x63, 72 x Edelstahlschlauchschelle 23-35 mm)
- Anschlussset (für PVC Verrohrung Durchmesser 50 mm für Zu- und Ablauf: 2 x Schlauchtülle, 2 x Muffe, 2 x kurze Reduktion)
- Belüftung mit T-Stück (Set für PVC Verrohrung Durchmesser 50 mm: 1 x Reduktions-T-Stück, 1 x Doppelnippel 1/2", 1 x Kegel-Fußventil 1/2" IG, 1 x Teflonband)
- Entleerung mit T-Stück (Set für PVC Verrohrung Durchmesser 50 mm: 1 x Reduktions-T-Stück, 1 x Entleerungshahn 1/2")
- Kleber (für PVC hart, 2 x Dose 250 g)
- Fallstrombremse (Kugelhahn Durchmesser 50 mm)
- T-Stück zur Einbindung in den Filterkreislauf (T-Stück 45° Durchmesser 50 mm, Winkel 45° Durchmesser 50 mm)
- Differenztemperaturregelung OKU®-Suncontrol (inkl. Tauchhülse TH30 30 mm, AG 1/2", sowie T-Stück 50x1/2"x50 für Tauchhülse)
- Dreiwege-Motor-Kugelhahn (PVC 50 mm, mit elektrischem Stellmotor 230 V)
- Schmutzfilter mit Kunststoffsiebrohr Durchmesser 50 mm, Sieb 1,8 mm, zum Einbau in den Vorlauf
Nicht enthalten sind die Verrohrung und die Dachbefestigung - siehe Zubehör.
Zubehörartikel